<--Previous  Up  Next-->

fig2c

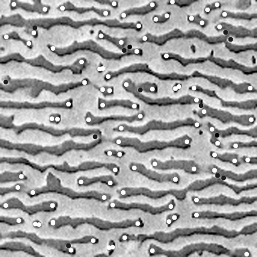
The same sample after creep at 980&deg;C, 200 MPa, for 243 hours. The phases have topologically inverted, with many more &gamma; terminations than &gamma;' terminations. The &gamma; is now in a matrix of &gamma;'