<--Previous  Up  Next-->

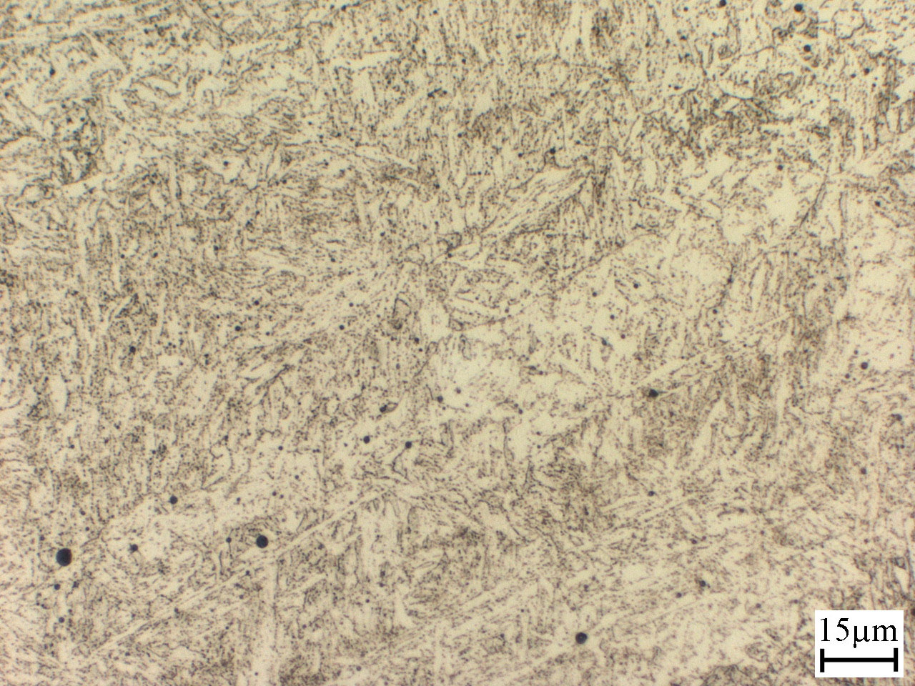
Martensite, HAZ

Martensite, HAZ

2.4 kJ/mm heat input. The photograph was taken at position 2 in the heat affected zone (HAZ), along a horizontal traverse which does not include any weld-bead overlap, as illustrated in the schematic drawing.