<--Previous  Up  Next-->

Slide9_6

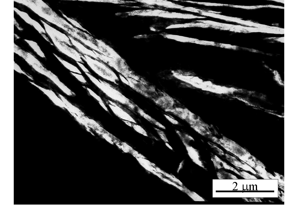
Fe-0.98C-1.46Si-1.89Mn-0.26Mo-1.26Cr-0.09V wt% Austenitised at 1000°C for 15 min. isothermally transformed at 325°C for 7 days.