
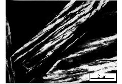
Fe-0.98C-1.46Si-1.89Mn-0.26Mo-1.26Cr-0.09V wt% Austenitised at 1000°C for 15 min. isothermally transformed at 200°C for 15 days. |

Fe-0.98C-1.46Si-1.89Mn-0.26Mo-1.26Cr-0.09V wt% Austenitised at 1000°C for 15 min. isothermally transformed at 200°C for 15 days. |

Fe-0.98C-1.46Si-1.89Mn-0.26Mo-1.26Cr-0.09V wt% Austenitised at 1000°C for 15 min. isothermally transformed at 200°C for 15 days. |

Fe-0.98C-1.46Si-1.89Mn-0.26Mo-1.26Cr-0.09V wt% Austenitised at 1000°C for 15 min. isothermally transformed at 200°C for 15 days. |

Fe-0.98C-1.46Si-1.89Mn-0.26Mo-1.26Cr-0.09V wt% Austenitised at 1000°C for 15 min. isothermally transformed at 200°C for 15 days. |

Fe-0.98C-1.46Si-1.89Mn-0.26Mo-1.26Cr-0.09V wt% Austenitised at 1000°C for 15 min. isothermally transformed at 200°C for 15 days. |

Fe-0.98C-1.46Si-1.89Mn-0.26Mo-1.26Cr-0.09V wt% Austenitised at 1000°C for 15 min. isothermally transformed at 200°C for 15 days. |

Fe-0.98C-1.46Si-1.89Mn-0.26Mo-1.26Cr-0.09V wt% Austenitised at 1000°C for 15 min. isothermally transformed at 200°C for 15 days. |

Fe-0.98C-1.46Si-1.89Mn-0.26Mo-1.26Cr-0.09V wt% Austenitised at 1000°C for 15 min. isothermally transformed at 200°C for 15 days. |

Fe-0.98C-1.46Si-1.89Mn-0.26Mo-1.26Cr-0.09V wt% Austenitised at 1000°C for 15 min. isothermally transformed at 200°C for 15 days. |

Fe-0.98C-1.46Si-1.89Mn-0.26Mo-1.26Cr-0.09V wt% Austenitised at 1000°C for 15 min. isothermally transformed at 200°C for 15 days. |

Fe-0.98C-1.46Si-1.89Mn-0.26Mo-1.26Cr-0.09V wt% Austenitised at 1000°C for 15 min. isothermally transformed at 200°C for 15 days. |

Fe-0.98C-1.46Si-1.89Mn-0.26Mo-1.26Cr-0.09V wt% Austenitised at 1000°C for 15 min. isothermally transformed at 200°C for 15 days. |

Fe-0.98C-1.46Si-1.89Mn-0.26Mo-1.26Cr-0.09V wt% Austenitised at 1000°C for 15 min. isothermally transformed at 200°C for 15 days. |

Fe-0.98C-1.46Si-1.89Mn-0.26Mo-1.26Cr-0.09V wt% Austenitised at 1000°C for 15 min. isothermally transformed at 200°C for 15 days. |

Fe-0.98C-1.46Si-1.89Mn-0.26Mo-1.26Cr-0.09V wt% Austenitised at 1000°C for 15 min. isothermally transformed at 200°C for 15 days. |

Fe-0.98C-1.46Si-1.89Mn-0.26Mo-1.26Cr-0.09V wt% Austenitised at 1000°C for 15 min. isothermally transformed at 200°C for 15 days. |

Fe-0.98C-1.46Si-1.89Mn-0.26Mo-1.26Cr-0.09V wt% Austenitised at 1000°C for 15 min. isothermally transformed at 200°C for 15 days. |

Fe-0.98C-1.46Si-1.89Mn-0.26Mo-1.26Cr-0.09V wt% Austenitised at 1000°C for 15 min. isothermally transformed at 200°C for 15 days. |

Fe-0.98C-1.46Si-1.89Mn-0.26Mo-1.26Cr-0.09V wt% Austenitised at 1000°C for 15 min. isothermally transformed at 200°C for 15 days. |

Fe-0.98C-1.46Si-1.89Mn-0.26Mo-1.26Cr-0.09V wt% Austenitised at 1000°C for 15 min. isothermally transformed at 200°C for 15 days. |

Fe-0.98C-1.46Si-1.89Mn-0.26Mo-1.26Cr-0.09V wt% Austenitised at 1000°C for 15 min. isothermally transformed at 200°C for 15 days. |

Fe-0.98C-1.46Si-1.89Mn-0.26Mo-1.26Cr-0.09V wt% Austenitised at 1000°C for 15 min. isothermally transformed at 200°C for 4 days. |

Fe-0.98C-1.46Si-1.89Mn-0.26Mo-1.26Cr-0.09V wt% Austenitised at 1000°C for 15 min. isothermally transformed at 200°C for 4 days. |

Fe-0.98C-1.46Si-1.89Mn-0.26Mo-1.26Cr-0.09V wt% Austenitised at 1000°C for 15 min. isothermally transformed at 200°C for 4 days. |

Fe-0.98C-1.46Si-1.89Mn-0.26Mo-1.26Cr-0.09V wt% Austenitised at 1000°C for 15 min. isothermally transformed at 200°C for 4 days. |

Fe-0.98C-1.46Si-1.89Mn-0.26Mo-1.26Cr-0.09V wt% Austenitised at 1000°C for 15 min. isothermally transformed at 200°C for 4 days. |

Fe-0.98C-1.46Si-1.89Mn-0.26Mo-1.26Cr-0.09V wt% Austenitised at 1000°C for 15 min. isothermally transformed at 200°C for 4 days. |

Fe-0.98C-1.46Si-1.89Mn-0.26Mo-1.26Cr-0.09V wt% Austenitised at 1000°C for 15 min. isothermally transformed at 200°C for 4 days. |

Fe-0.98C-1.46Si-1.89Mn-0.26Mo-1.26Cr-0.09V wt% Austenitised at 1000°C for 15 min. isothermally transformed at 200°C for 4 days. |

Fe-0.98C-1.46Si-1.89Mn-0.26Mo-1.26Cr-0.09V wt% Austenitised at 1000°C for 15 min. isothermally transformed at 200°C for 4 days. |

Fe-0.98C-1.46Si-1.89Mn-0.26Mo-1.26Cr-0.09V wt% Austenitised at 1000°C for 15 min. isothermally transformed at 200°C for 4 days. |

Fe-0.98C-1.46Si-1.89Mn-0.26Mo-1.26Cr-0.09V wt% Austenitised at 1000°C for 15 min. isothermally transformed at 200°C for 4 days. |

Fe-0.98C-1.46Si-1.89Mn-0.26Mo-1.26Cr-0.09V wt% Austenitised at 1000°C for 15 min. isothermally transformed at 200°C for 4 days. |

Fe-0.98C-1.46Si-1.89Mn-0.26Mo-1.26Cr-0.09V wt% Austenitised at 1000°C for 15 min. isothermally transformed at 200°C for 4 days. |

Fe-0.98C-1.46Si-1.89Mn-0.26Mo-1.26Cr-0.09V wt% Austenitised at 1000°C for 15 min. isothermally transformed at 200°C for 4 days. |

Fe-0.98C-1.46Si-1.89Mn-0.26Mo-1.26Cr-0.09V wt% Austenitised at 1000°C for 15 min. isothermally transformed at 200°C for 4 days. |

Fe-0.98C-1.46Si-1.89Mn-0.26Mo-1.26Cr-0.09V wt% Austenitised at 1000°C for 15 min. isothermally transformed at 200°C for 4 days. |

Fe-0.98C-1.46Si-1.89Mn-0.26Mo-1.26Cr-0.09V wt% Austenitised at 1000°C for 15 min. isothermally transformed at 200°C for 4 days. |

Fe-0.98C-1.46Si-1.89Mn-0.26Mo-1.26Cr-0.09V wt% Austenitised at 1000°C for 15 min. isothermally transformed at 200°C for 4 days. |

Fe-0.98C-1.46Si-1.89Mn-0.26Mo-1.26Cr-0.09V wt% Austenitised at 1000°C for 15 min. isothermally transformed at 200°C for 4 days. |

Fe-0.98C-1.46Si-1.89Mn-0.26Mo-1.26Cr-0.09V wt% Austenitised at 1000°C for 15 min. isothermally transformed at 200°C for 4 days. |

Fe-0.98C-1.46Si-1.89Mn-0.26Mo-1.26Cr-0.09V wt% Austenitised at 1000°C for 15 min. isothermally transformed at 200°C for 4 days. |

Fe-0.98C-1.46Si-1.89Mn-0.26Mo-1.26Cr-0.09V wt% Austenitised at 1000°C for 15 min. isothermally transformed at 200°C for 4 days. |

Fe-0.98C-1.46Si-1.89Mn-0.26Mo-1.26Cr-0.09V wt% Austenitised at 1000°C for 15 min. isothermally transformed at 200°C for 4 days. |

Fe-0.98C-1.46Si-1.89Mn-0.26Mo-1.26Cr-0.09V wt% Austenitised at 1000°C for 15 min. isothermally transformed at 200°C for 4 days. |

Fe-0.98C-1.46Si-1.89Mn-0.26Mo-1.26Cr-0.09V wt% Austenitised at 1000°C for 15 min. isothermally transformed at 200°C for 5 days. |

Fe-0.98C-1.46Si-1.89Mn-0.26Mo-1.26Cr-0.09V wt% Austenitised at 1000°C for 15 min. isothermally transformed at 200°C for 5 days. |

Fe-0.98C-1.46Si-1.89Mn-0.26Mo-1.26Cr-0.09V wt% Austenitised at 1000°C for 15 min. isothermally transformed at 200°C for 5 days. |

Fe-0.98C-1.46Si-1.89Mn-0.26Mo-1.26Cr-0.09V wt% Austenitised at 1000°C for 15 min. isothermally transformed at 200°C for 5 days. |

Fe-0.98C-1.46Si-1.89Mn-0.26Mo-1.26Cr-0.09V wt% Austenitised at 1000°C for 15 min. isothermally transformed at 200°C for 5 days. |

Fe-0.98C-1.46Si-1.89Mn-0.26Mo-1.26Cr-0.09V wt% Austenitised at 1000°C for 15 min. isothermally transformed at 200°C for 5 days. |

Fe-0.98C-1.46Si-1.89Mn-0.26Mo-1.26Cr-0.09V wt% Austenitised at 1000°C for 15 min. isothermally transformed at 200°C for 5 days. |

Fe-0.98C-1.46Si-1.89Mn-0.26Mo-1.26Cr-0.09V wt% Austenitised at 1000°C for 15 min. isothermally transformed at 200°C for 5 days. |

Fe-0.98C-1.46Si-1.89Mn-0.26Mo-1.26Cr-0.09V wt% Austenitised at 1000°C for 15 min. isothermally transformed at 200°C for 5 days. |

Fe-0.98C-1.46Si-1.89Mn-0.26Mo-1.26Cr-0.09V wt% Austenitised at 1000°C for 15 min. isothermally transformed at 200°C for 5 days. |

Fe-0.98C-1.46Si-1.89Mn-0.26Mo-1.26Cr-0.09V wt% Austenitised at 1000°C for 15 min. isothermally transformed at 200°C for 5 days. |

Fe-0.98C-1.46Si-1.89Mn-0.26Mo-1.26Cr-0.09V wt% Austenitised at 1000°C for 15 min. isothermally transformed at 250°C for 25 h. |

Fe-0.98C-1.46Si-1.89Mn-0.26Mo-1.26Cr-0.09V wt% Austenitised at 1000°C for 15 min. isothermally transformed at 250°C for 25 h. |

Fe-0.98C-1.46Si-1.89Mn-0.26Mo-1.26Cr-0.09V wt% Austenitised at 1000°C for 15 min. isothermally transformed at 250°C for 25 h. |

Fe-0.98C-1.46Si-1.89Mn-0.26Mo-1.26Cr-0.09V wt% Austenitised at 1000°C for 15 min. isothermally transformed at 250°C for 25 h. |

Fe-0.98C-1.46Si-1.89Mn-0.26Mo-1.26Cr-0.09V wt% Austenitised at 1000°C for 15 min. isothermally transformed at 250°C for 25 h. |

Fe-0.98C-1.46Si-1.89Mn-0.26Mo-1.26Cr-0.09V wt% Austenitised at 1000°C for 15 min. isothermally transformed at 250°C for 25 h. |

Fe-0.98C-1.46Si-1.89Mn-0.26Mo-1.26Cr-0.09V wt% Austenitised at 1000°C for 15 min. isothermally transformed at 250°C for 25 h. |

Fe-0.98C-1.46Si-1.89Mn-0.26Mo-1.26Cr-0.09V wt% Austenitised at 1000°C for 15 min. isothermally transformed at 250°C for 25 h. |

Fe-0.98C-1.46Si-1.89Mn-0.26Mo-1.26Cr-0.09V wt% Austenitised at 1000°C for 15 min. isothermally transformed at 250°C for 25 h. |

Fe-0.98C-1.46Si-1.89Mn-0.26Mo-1.26Cr-0.09V wt% Austenitised at 1000°C for 15 min. isothermally transformed at 250°C for 25 h. |

Fe-0.98C-1.46Si-1.89Mn-0.26Mo-1.26Cr-0.09V wt% Austenitised at 1000°C for 15 min. isothermally transformed at 250°C for 25 h. |

Fe-0.98C-1.46Si-1.89Mn-0.26Mo-1.26Cr-0.09V wt% Austenitised at 1000°C for 15 min. isothermally transformed at 250°C for 25 h. |

Fe-0.98C-1.46Si-1.89Mn-0.26Mo-1.26Cr-0.09V wt% Austenitised at 1000°C for 15 min. isothermally transformed at 250°C for 25 h. |

Fe-0.98C-1.46Si-1.89Mn-0.26Mo-1.26Cr-0.09V wt% Austenitised at 1000°C for 15 min. isothermally transformed at 250°C for 25 h. |

Fe-0.98C-1.46Si-1.89Mn-0.26Mo-1.26Cr-0.09V wt% Austenitised at 1000°C for 15 min. isothermally transformed at 250°C for 25 h. |

Fe-0.98C-1.46Si-1.89Mn-0.26Mo-1.26Cr-0.09V wt% Austenitised at 1000°C for 15 min. isothermally transformed at 250°C for 25 h. |

Fe-0.98C-1.46Si-1.89Mn-0.26Mo-1.26Cr-0.09V wt% Austenitised at 1000°C for 15 min. isothermally transformed at 250°C for 25 h. |

Fe-0.98C-1.46Si-1.89Mn-0.26Mo-1.26Cr-0.09V wt% Austenitised at 1000°C for 15 min. isothermally transformed at 250°C for 25 h. |

Fe-0.98C-1.46Si-1.89Mn-0.26Mo-1.26Cr-0.09V wt% Austenitised at 1000°C for 15 min. isothermally transformed at 250°C for 25 h. |

Fe-0.98C-1.46Si-1.89Mn-0.26Mo-1.26Cr-0.09V wt% Austenitised at 1000°C for 15 min. isothermally transformed at 250°C for 25 days |

Fe-0.98C-1.46Si-1.89Mn-0.26Mo-1.26Cr-0.09V wt% Austenitised at 1000°C for 15 min. isothermally transformed at 250°C for 25 days |

Fe-0.98C-1.46Si-1.89Mn-0.26Mo-1.26Cr-0.09V wt% Austenitised at 1000°C for 15 min. isothermally transformed at 250°C for 25 days |

Fe-0.98C-1.46Si-1.89Mn-0.26Mo-1.26Cr-0.09V wt% Austenitised at 1000°C for 15 min. isothermally transformed at 250°C for 25 days |

Fe-0.98C-1.46Si-1.89Mn-0.26Mo-1.26Cr-0.09V wt% Austenitised at 1000°C for 15 min. isothermally transformed at 250°C for 25 days |

Fe-0.98C-1.46Si-1.89Mn-0.26Mo-1.26Cr-0.09V wt% Austenitised at 1000°C for 15 min. isothermally transformed at 250°C for 25 days |

Fe-0.98C-1.46Si-1.89Mn-0.26Mo-1.26Cr-0.09V wt% Austenitised at 1000°C for 15 min. isothermally transformed at 250°C for 30 h. |

Fe-0.98C-1.46Si-1.89Mn-0.26Mo-1.26Cr-0.09V wt% Austenitised at 1000°C for 15 min. isothermally transformed at 250°C for 30 h. |

Fe-0.98C-1.46Si-1.89Mn-0.26Mo-1.26Cr-0.09V wt% Austenitised at 1000°C for 15 min. isothermally transformed at 250°C for 30 h. |

Fe-0.98C-1.46Si-1.89Mn-0.26Mo-1.26Cr-0.09V wt% Austenitised at 1000°C for 15 min. isothermally transformed at 250°C for 30 h. |

Fe-0.98C-1.46Si-1.89Mn-0.26Mo-1.26Cr-0.09V wt% Austenitised at 1000°C for 15 min. isothermally transformed at 250°C for 30 h. |

Fe-0.98C-1.46Si-1.89Mn-0.26Mo-1.26Cr-0.09V wt% Austenitised at 1000°C for 15 min. isothermally transformed at 250°C for 30 h. |

Fe-0.98C-1.46Si-1.89Mn-0.26Mo-1.26Cr-0.09V wt% Austenitised at 1000°C for 15 min. isothermally transformed at 250°C for 30 h. |

Fe-0.98C-1.46Si-1.89Mn-0.26Mo-1.26Cr-0.09V wt% Austenitised at 1000°C for 15 min. isothermally transformed at 250°C for 30 h. |

Fe-0.98C-1.46Si-1.89Mn-0.26Mo-1.26Cr-0.09V wt% Austenitised at 1000°C for 15 min. isothermally transformed at 250°C for 30 h. |

Fe-0.98C-1.46Si-1.89Mn-0.26Mo-1.26Cr-0.09V wt% Austenitised at 1000°C for 15 min. isothermally transformed at 250°C for 30 h. |

Fe-0.98C-1.46Si-1.89Mn-0.26Mo-1.26Cr-0.09V wt% Austenitised at 1000°C for 15 min. isothermally transformed at 250°C for 30 h. |

Fe-0.98C-1.46Si-1.89Mn-0.26Mo-1.26Cr-0.09V wt% Austenitised at 1000°C for 15 min. isothermally transformed at 250°C for 30 h. |

Fe-0.98C-1.46Si-1.89Mn-0.26Mo-1.26Cr-0.09V wt% Austenitised at 1000°C for 15 min. isothermally transformed at 250°C for 30 h. |

Fe-0.98C-1.46Si-1.89Mn-0.26Mo-1.26Cr-0.09V wt% Austenitised at 1000°C for 15 min. isothermally transformed at 250°C for 30 h. |

Fe-0.98C-1.46Si-1.89Mn-0.26Mo-1.26Cr-0.09V wt% Austenitised at 1000°C for 15 min. isothermally transformed at 250°C for 30 h. |

Fe-0.98C-1.46Si-1.89Mn-0.26Mo-1.26Cr-0.09V wt% Austenitised at 1000°C for 15 min. isothermally transformed at 250°C for 30 h. |

Fe-0.98C-1.46Si-1.89Mn-0.26Mo-1.26Cr-0.09V wt% Austenitised at 1000°C for 15 min. isothermally transformed at 250°C for 30 h. |

Fe-0.98C-1.46Si-1.89Mn-0.26Mo-1.26Cr-0.09V wt% Austenitised at 1000°C for 15 min. isothermally transformed at 300°C for 10 days and 40 minutes. |

Fe-0.98C-1.46Si-1.89Mn-0.26Mo-1.26Cr-0.09V wt% Austenitised at 1000°C for 15 min. isothermally transformed at 300°C for 10 days and 40 minutes. |

Fe-0.98C-1.46Si-1.89Mn-0.26Mo-1.26Cr-0.09V wt% Austenitised at 1000°C for 15 min. isothermally transformed at 300°C for 10 days and 40 minutes. |

Fe-0.98C-1.46Si-1.89Mn-0.26Mo-1.26Cr-0.09V wt% Austenitised at 1000°C for 15 min. isothermally transformed at 300°C for 10 days and 40 minutes. |

Fe-0.98C-1.46Si-1.89Mn-0.26Mo-1.26Cr-0.09V wt% Austenitised at 1000°C for 15 min. isothermally transformed at 300°C for 10 days and 40 minutes. |

Fe-0.98C-1.46Si-1.89Mn-0.26Mo-1.26Cr-0.09V wt% Austenitised at 1000°C for 15 min. isothermally transformed at 300°C for 10 days and 40 minutes. |

Fe-0.98C-1.46Si-1.89Mn-0.26Mo-1.26Cr-0.09V wt% Austenitised at 1000°C for 15 min. isothermally transformed at 300°C for 3 days. |

Fe-0.98C-1.46Si-1.89Mn-0.26Mo-1.26Cr-0.09V wt% Austenitised at 1000°C for 15 min. isothermally transformed at 300°C for 3 days. |

Fe-0.98C-1.46Si-1.89Mn-0.26Mo-1.26Cr-0.09V wt% Austenitised at 1000°C for 15 min. isothermally transformed at 300°C for 3 days. |

Fe-0.98C-1.46Si-1.89Mn-0.26Mo-1.26Cr-0.09V wt% Austenitised at 1000°C for 15 min. isothermally transformed at 300°C for 3 days. |

Fe-0.98C-1.46Si-1.89Mn-0.26Mo-1.26Cr-0.09V wt% Austenitised at 1000°C for 15 min. isothermally transformed at 300°C for 3 days. |

Fe-0.98C-1.46Si-1.89Mn-0.26Mo-1.26Cr-0.09V wt% Austenitised at 1000°C for 15 min. isothermally transformed at 300°C for 3 days. |

Fe-0.98C-1.46Si-1.89Mn-0.26Mo-1.26Cr-0.09V wt% Austenitised at 1000°C for 15 min. isothermally transformed at 300°C for 9 h. |

Fe-0.98C-1.46Si-1.89Mn-0.26Mo-1.26Cr-0.09V wt% Austenitised at 1000°C for 15 min. isothermally transformed at 300°C for 9 h. |

Fe-0.98C-1.46Si-1.89Mn-0.26Mo-1.26Cr-0.09V wt% Austenitised at 1000°C for 15 min. isothermally transformed at 300°C for 9 h. |

Fe-0.98C-1.46Si-1.89Mn-0.26Mo-1.26Cr-0.09V wt% Austenitised at 1000°C for 15 min. isothermally transformed at 300°C for 9 h. |

Fe-0.98C-1.46Si-1.89Mn-0.26Mo-1.26Cr-0.09V wt% Austenitised at 1000°C for 15 min. isothermally transformed at 300°C for 9 h. |

Fe-0.98C-1.46Si-1.89Mn-0.26Mo-1.26Cr-0.09V wt% Austenitised at 1000°C for 15 min. isothermally transformed at 300°C for 9 h. |

Fe-0.98C-1.46Si-1.89Mn-0.26Mo-1.26Cr-0.09V wt% Austenitised at 1000°C for 15 min. isothermally transformed at 300°C for 9 h. |

Fe-0.98C-1.46Si-1.89Mn-0.26Mo-1.26Cr-0.09V wt% Austenitised at 1000°C for 15 min. isothermally transformed at 300°C for 9 h. |

Fe-0.98C-1.46Si-1.89Mn-0.26Mo-1.26Cr-0.09V wt% Austenitised at 1000°C for 15 min. isothermally transformed at 300°C for 9 h. |

Fe-0.98C-1.46Si-1.89Mn-0.26Mo-1.26Cr-0.09V wt% Austenitised at 1000°C for 15 min. isothermally transformed at 300°C for 9 h. |

Fe-0.98C-1.46Si-1.89Mn-0.26Mo-1.26Cr-0.09V wt% Austenitised at 1000°C for 15 min. isothermally transformed at 300°C for 9 h. |

Fe-0.98C-1.46Si-1.89Mn-0.26Mo-1.26Cr-0.09V wt% Austenitised at 1000°C for 15 min. isothermally transformed at 300°C for 9 h. |

Fe-0.98C-1.46Si-1.89Mn-0.26Mo-1.26Cr-0.09V wt% Austenitised at 1000°C for 15 min. isothermally transformed at 300°C for 9 h. |

Fe-0.98C-1.46Si-1.89Mn-0.26Mo-1.26Cr-0.09V wt% Austenitised at 1000°C for 15 min. isothermally transformed at 325°C for 60 h. |

Fe-0.98C-1.46Si-1.89Mn-0.26Mo-1.26Cr-0.09V wt% Austenitised at 1000°C for 15 min. isothermally transformed at 325°C for 60 h. |

Fe-0.98C-1.46Si-1.89Mn-0.26Mo-1.26Cr-0.09V wt% Austenitised at 1000°C for 15 min. isothermally transformed at 325°C for 60 h. |

Fe-0.98C-1.46Si-1.89Mn-0.26Mo-1.26Cr-0.09V wt% Austenitised at 1000°C for 15 min. isothermally transformed at 325°C for 60 h. |

Fe-0.98C-1.46Si-1.89Mn-0.26Mo-1.26Cr-0.09V wt% Austenitised at 1000°C for 15 min. isothermally transformed at 325°C for 60 h. |

Fe-0.98C-1.46Si-1.89Mn-0.26Mo-1.26Cr-0.09V wt% Austenitised at 1000°C for 15 min. isothermally transformed at 325°C for 60 h. |

Fe-0.98C-1.46Si-1.89Mn-0.26Mo-1.26Cr-0.09V wt% Austenitised at 1000°C for 15 min. isothermally transformed at 325°C for 60 h. |

Fe-0.98C-1.46Si-1.89Mn-0.26Mo-1.26Cr-0.09V wt% Austenitised at 1000°C for 15 min. isothermally transformed at 325°C for 7 days. |

Fe-0.98C-1.46Si-1.89Mn-0.26Mo-1.26Cr-0.09V wt% Austenitised at 1000°C for 15 min. isothermally transformed at 325°C for 7 days. |

Fe-0.98C-1.46Si-1.89Mn-0.26Mo-1.26Cr-0.09V wt% Austenitised at 1000°C for 15 min. isothermally transformed at 325°C for 7 days. |

Fe-0.98C-1.46Si-1.89Mn-0.26Mo-1.26Cr-0.09V wt% Austenitised at 1000°C for 15 min. isothermally transformed at 325°C for 7 days. |

Fe-0.98C-1.46Si-1.89Mn-0.26Mo-1.26Cr-0.09V wt% Austenitised at 1000°C for 15 min. isothermally transformed at 325°C for 7 days. |

Fe-0.98C-1.46Si-1.89Mn-0.26Mo-1.26Cr-0.09V wt% Austenitised at 1000°C for 15 min. isothermally transformed at 325°C for 7 days. |

Fe-0.98C-1.46Si-1.89Mn-0.26Mo-1.26Cr-0.09V wt% Austenitised at 1000°C for 15 min. isothermally transformed at 325°C for 7 days. |

Fe-0.98C-1.46Si-1.89Mn-0.26Mo-1.26Cr-0.09V wt% Austenitised at 1000°C for 15 min. isothermally transformed at 325°C for 7 days. |

Fe-0.98C-1.46Si-1.89Mn-0.26Mo-1.26Cr-0.09V wt% Austenitised at 1000°C for 15 min. isothermally transformed at 325°C for 7 days. |

Fe-0.98C-1.46Si-1.89Mn-0.26Mo-1.26Cr-0.09V wt% Austenitised at 1000°C for 15 min. isothermally transformed at 325°C for 7 days. |

Fe-0.98C-1.46Si-1.89Mn-0.26Mo-1.26Cr-0.09V wt% Austenitised at 1000°C for 15 min. isothermally transformed at 325°C for 7 days. |

Fe-0.98C-1.46Si-1.89Mn-0.26Mo-1.26Cr-0.09V wt% Austenitised at 1000°C for 15 min. isothermally transformed at 325°C for 7 days. |

Fe-0.98C-1.46Si-1.89Mn-0.26Mo-1.26Cr-0.09V wt% Austenitised at 1000°C for 15 min. isothermally transformed at 325°C for 7 days. |

Fe-0.98C-1.46Si-1.89Mn-0.26Mo-1.26Cr-0.09V wt% Austenitised at 1000°C for 15 min. isothermally transformed at 325°C for 7 days. |

Fe-0.98C-1.46Si-1.89Mn-0.26Mo-1.26Cr-0.09V wt% Austenitised at 1000°C for 15 min. isothermally transformed at 200°C for 10 days, tempered 730°C for 21 days. |

Fe-0.98C-1.46Si-1.89Mn-0.26Mo-1.26Cr-0.09V wt% Austenitised at 1000°C for 15 min. isothermally transformed at 200°C for 10 days, tempered 730°C for 21 days. |

Fe-0.98C-1.46Si-1.89Mn-0.26Mo-1.26Cr-0.09V wt% Austenitised at 1000°C for 15 min. isothermally transformed at 200°C for 10 days, tempered 730°C for 21 days. |

Fe-0.98C-1.46Si-1.89Mn-0.26Mo-1.26Cr-0.09V wt% Austenitised at 1000°C for 15 min. isothermally transformed at 200°C for 10 days, tempered 730°C for 21 days. |

Fe-0.98C-1.46Si-1.89Mn-0.26Mo-1.26Cr-0.09V wt% Austenitised at 1000°C for 15 min. isothermally transformed at 200°C for 10 days, tempered 730°C for 21 days. |

Fe-0.98C-1.46Si-1.89Mn-0.26Mo-1.26Cr-0.09V wt% Austenitised at 1000°C for 15 min. isothermally transformed at 200°C for 10 days, tempered 730°C for 42 days. |

Fe-0.98C-1.46Si-1.89Mn-0.26Mo-1.26Cr-0.09V wt% Austenitised at 1000°C for 15 min. isothermally transformed at 200°C for 10 days, tempered 730°C for 42 days. |

Fe-0.98C-1.46Si-1.89Mn-0.26Mo-1.26Cr-0.09V wt% Austenitised at 1000°C for 15 min. isothermally transformed at 200°C for 10 days, tempered 730°C for 42 days. |

Fe-0.98C-1.46Si-1.89Mn-0.26Mo-1.26Cr-0.09V wt% Austenitised at 1000°C for 15 min. isothermally transformed at 200°C for 10 days, tempered 730°C for 42 days. |

Fe-0.98C-1.46Si-1.89Mn-0.26Mo-1.26Cr-0.09V wt% Austenitised at 1000°C for 15 min. isothermally transformed at 200°C for 10 days, tempered 730°C for 42 days. |

Fe-0.98C-1.46Si-1.89Mn-0.26Mo-1.26Cr-0.09V wt% Austenitised at 1000°C for 15 min. isothermally transformed at 200°C for 10 days, tempered 730°C for 7 days. |

Fe-0.98C-1.46Si-1.89Mn-0.26Mo-1.26Cr-0.09V wt% Austenitised at 1000°C for 15 min. isothermally transformed at 200°C for 10 days, tempered 730°C for 7 days. |

Fe-0.98C-1.46Si-1.89Mn-0.26Mo-1.26Cr-0.09V wt% Austenitised at 1000°C for 15 min. isothermally transformed at 200°C for 10 days, tempered 730°C for 7 days. |

Fe-0.98C-1.46Si-1.89Mn-0.26Mo-1.26Cr-0.09V wt% Austenitised at 1000°C for 15 min. isothermally transformed at 200°C for 10 days, tempered 730°C for 7 days. |

Fe-0.98C-1.46Si-1.89Mn-0.26Mo-1.26Cr-0.09V wt% Austenitised at 1000°C for 15 min. isothermally transformed at 200°C for 10 days, tempered 730°C for 7 days. |

Fe-0.98C-1.46Si-1.89Mn-0.26Mo-1.26Cr-0.09V wt% Austenitised at 1000°C for 15 min. isothermally transformed at 200°C for 10 days, tempered 730°C for 7 days. |

Fe-0.98C-1.46Si-1.89Mn-0.26Mo-1.26Cr-0.09V wt% Austenitised at 1000°C for 15 min. isothermally transformed at 200°C for 10 days, tempered 730°C for 7 days. |

Fe-0.98C-1.46Si-1.89Mn-0.26Mo-1.26Cr-0.09V wt% Austenitised at 1000°C for 15 min. isothermally transformed at 200°C for 10 days, tempered 730°C for 7 days. |

Fe-0.98C-1.46Si-1.89Mn-0.26Mo-1.26Cr-0.09V wt% Austenitised at 1000°C for 15 min. isothermally transformed at 200°C for 10 days, tempered 730°C for 7 days. |

Fe-0.98C-1.46Si-1.89Mn-0.26Mo-1.26Cr-0.09V wt% Austenitised at 1000°C for 15 min. isothermally transformed at 200°C for 14 days, tempered 400°C for 1 h. |

Fe-0.98C-1.46Si-1.89Mn-0.26Mo-1.26Cr-0.09V wt% Austenitised at 1000°C for 15 min. isothermally transformed at 200°C for 14 days, tempered 400°C for 1 h. |

Fe-0.98C-1.46Si-1.89Mn-0.26Mo-1.26Cr-0.09V wt% Austenitised at 1000°C for 15 min. isothermally transformed at 200°C for 14 days, tempered 400°C for 1 h. |

Fe-0.98C-1.46Si-1.89Mn-0.26Mo-1.26Cr-0.09V wt% Austenitised at 1000°C for 15 min. isothermally transformed at 200°C for 14 days, tempered 400°C for 1 h. |

Fe-0.98C-1.46Si-1.89Mn-0.26Mo-1.26Cr-0.09V wt% Austenitised at 1000°C for 15 min. isothermally transformed at 200°C for 14 days, tempered 400°C for 1 h. |

Fe-0.98C-1.46Si-1.89Mn-0.26Mo-1.26Cr-0.09V wt% Austenitised at 1000°C for 15 min. isothermally transformed at 200°C for 14 days, tempered 400°C for 1 h. |

Fe-0.98C-1.46Si-1.89Mn-0.26Mo-1.26Cr-0.09V wt% Austenitised at 1000°C for 15 min. isothermally transformed at 200°C for 14 days, tempered 450°C for 1 h. |

Fe-0.98C-1.46Si-1.89Mn-0.26Mo-1.26Cr-0.09V wt% Austenitised at 1000°C for 15 min. isothermally transformed at 200°C for 14 days, tempered 450°C for 1 h. |

Fe-0.98C-1.46Si-1.89Mn-0.26Mo-1.26Cr-0.09V wt% Austenitised at 1000°C for 15 min. isothermally transformed at 200°C for 14 days, tempered 450°C for 1 h. |

Fe-0.98C-1.46Si-1.89Mn-0.26Mo-1.26Cr-0.09V wt% Austenitised at 1000°C for 15 min. isothermally transformed at 200°C for 14 days, tempered 450°C for 1 h. |

Fe-0.98C-1.46Si-1.89Mn-0.26Mo-1.26Cr-0.09V wt% Austenitised at 1000°C for 15 min. isothermally transformed at 200°C for 14 days, tempered 450°C for 1 h. |

Fe-0.98C-1.46Si-1.89Mn-0.26Mo-1.26Cr-0.09V wt% Austenitised at 1000°C for 15 min. isothermally transformed at 200°C for 14 days, tempered 450°C for 30 min. |

Fe-0.98C-1.46Si-1.89Mn-0.26Mo-1.26Cr-0.09V wt% Austenitised at 1000°C for 15 min. isothermally transformed at 200°C for 14 days, tempered 450°C for 30 min. |

Fe-0.98C-1.46Si-1.89Mn-0.26Mo-1.26Cr-0.09V wt% Austenitised at 1000°C for 15 min. isothermally transformed at 200°C for 14 days, tempered 450°C for 30 min. |

Fe-0.98C-1.46Si-1.89Mn-0.26Mo-1.26Cr-0.09V wt% Austenitised at 1000°C for 15 min. isothermally transformed at 200°C for 14 days, tempered 450°C for 30 min. |

Fe-0.98C-1.46Si-1.89Mn-0.26Mo-1.26Cr-0.09V wt% Austenitised at 1000°C for 15 min. isothermally transformed at 200°C for 14 days, tempered 450°C for 30 min. |

Fe-0.98C-1.46Si-1.89Mn-0.26Mo-1.26Cr-0.09V wt% Austenitised at 1000°C for 15 min. isothermally transformed at 200°C for 14 days, tempered 450°C for 30 min. |

Fe-0.98C-1.46Si-1.89Mn-0.26Mo-1.26Cr-0.09V wt% Austenitised at 1000°C for 15 min. isothermally transformed at 200°C for 14 days, tempered 450°C for 30 min. |

Fe-0.98C-1.46Si-1.89Mn-0.26Mo-1.26Cr-0.09V wt% Austenitised at 1000°C for 15 min. isothermally transformed at 200°C for 14 days, tempered 450°C for 30 min. |

Fe-0.98C-1.46Si-1.89Mn-0.26Mo-1.26Cr-0.09V wt% Austenitised at 1000°C for 15 min. isothermally transformed at 200°C for 14 days, tempered 450°C for 30 min. |

Fe-0.98C-1.46Si-1.89Mn-0.26Mo-1.26Cr-0.09V wt% Austenitised at 1000°C for 15 min. isothermally transformed at 200°C for 14 days, tempered 450°C for 30 min. |

Fe-0.98C-1.46Si-1.89Mn-0.26Mo-1.26Cr-0.09V wt% Austenitised at 1000°C for 15 min. isothermally transformed at 200°C for 14 days, tempered 550°C for 1 h. |

Fe-0.98C-1.46Si-1.89Mn-0.26Mo-1.26Cr-0.09V wt% Austenitised at 1000°C for 15 min. isothermally transformed at 200°C for 14 days, tempered 550°C for 1 h. |

Fe-0.98C-1.46Si-1.89Mn-0.26Mo-1.26Cr-0.09V wt% Austenitised at 1000°C for 15 min. isothermally transformed at 200°C for 14 days, tempered 550°C for 1 h. |

Fe-0.98C-1.46Si-1.89Mn-0.26Mo-1.26Cr-0.09V wt% Austenitised at 1000°C for 15 min. isothermally transformed at 200°C for 14 days, tempered 550°C for 1 h. |

Fe-0.98C-1.46Si-1.89Mn-0.26Mo-1.26Cr-0.09V wt% Austenitised at 1000°C for 15 min. isothermally transformed at 200°C for 14 days, tempered 550°C for 1 h. |

Fe-0.98C-1.46Si-1.89Mn-0.26Mo-1.26Cr-0.09V wt% Austenitised at 1000°C for 15 min. isothermally transformed at 200°C for 14 days, tempered 550°C for 1 h. |

Fe-0.98C-1.46Si-1.89Mn-0.26Mo-1.26Cr-0.09V wt% Austenitised at 1000°C for 15 min. isothermally transformed at 200°C for 14 days, tempered 550°C for 1 h. |

Fe-0.98C-1.46Si-1.89Mn-0.26Mo-1.26Cr-0.09V wt% Austenitised at 1000°C for 15 min. isothermally transformed at 200°C for 14 days, tempered 550°C for 1 h. |

Fe-0.98C-1.46Si-1.89Mn-0.26Mo-1.26Cr-0.09V wt% Austenitised at 1000°C for 15 min. isothermally transformed at 200°C for 14 days, tempered 550°C for 1 h. |

Fe-0.98C-1.46Si-1.89Mn-0.26Mo-1.26Cr-0.09V wt% Austenitised at 1000°C for 15 min. isothermally transformed at 200°C for 14 days, tempered 550°C for 30 min. |

Fe-0.98C-1.46Si-1.89Mn-0.26Mo-1.26Cr-0.09V wt% Austenitised at 1000°C for 15 min. isothermally transformed at 200°C for 14 days, tempered 550°C for 30 min. |

Fe-0.98C-1.46Si-1.89Mn-0.26Mo-1.26Cr-0.09V wt% Austenitised at 1000°C for 15 min. isothermally transformed at 200°C for 14 days, tempered 550°C for 30 min. |

Fe-0.98C-1.46Si-1.89Mn-0.26Mo-1.26Cr-0.09V wt% Austenitised at 1000°C for 15 min. isothermally transformed at 200°C for 14 days, tempered 550°C for 30 min. |

Fe-0.98C-1.46Si-1.89Mn-0.26Mo-1.26Cr-0.09V wt% Austenitised at 1000°C for 15 min. isothermally transformed at 200°C for 14 days, tempered 550°C for 30 min. |

Fe-0.98C-1.46Si-1.89Mn-0.26Mo-1.26Cr-0.09V wt% Austenitised at 1000°C for 15 min. isothermally transformed at 200°C for 14 days, tempered 550°C for 30 min. |

Fe-0.98C-1.46Si-1.89Mn-0.26Mo-1.26Cr-0.09V wt% Austenitised at 1000°C for 15 min. isothermally transformed at 200°C for 14 days, tempered 550°C for 30 min. |

Fe-0.98C-1.46Si-1.89Mn-0.26Mo-1.26Cr-0.09V wt% Austenitised at 1000°C for 15 min. isothermally transformed at 200°C for 14 days, tempered 550°C for 30 min. |

Fe-0.98C-1.46Si-1.89Mn-0.26Mo-1.26Cr-0.09V wt% Austenitised at 1000°C for 15 min. isothermally transformed at 200°C for 14 days, tempered 600°C for 1 day |

Fe-0.98C-1.46Si-1.89Mn-0.26Mo-1.26Cr-0.09V wt% Austenitised at 1000°C for 15 min. isothermally transformed at 200°C for 14 days, tempered 600°C for 1 day |

Fe-0.98C-1.46Si-1.89Mn-0.26Mo-1.26Cr-0.09V wt% Austenitised at 1000°C for 15 min. isothermally transformed at 200°C for 14 days, tempered 600°C for 1 day |

v |

Fe-0.98C-1.46Si-1.89Mn-0.26Mo-1.26Cr-0.09V wt% Austenitised at 1000°C for 15 min. isothermally transformed at 200°C for 14 days, tempered 600°C for 30 min |

Fe-0.98C-1.46Si-1.89Mn-0.26Mo-1.26Cr-0.09V wt% Austenitised at 1000°C for 15 min. isothermally transformed at 200°C for 14 days, tempered 600°C for 30 min |