<--Previous  Up  Next-->

Slide15_2

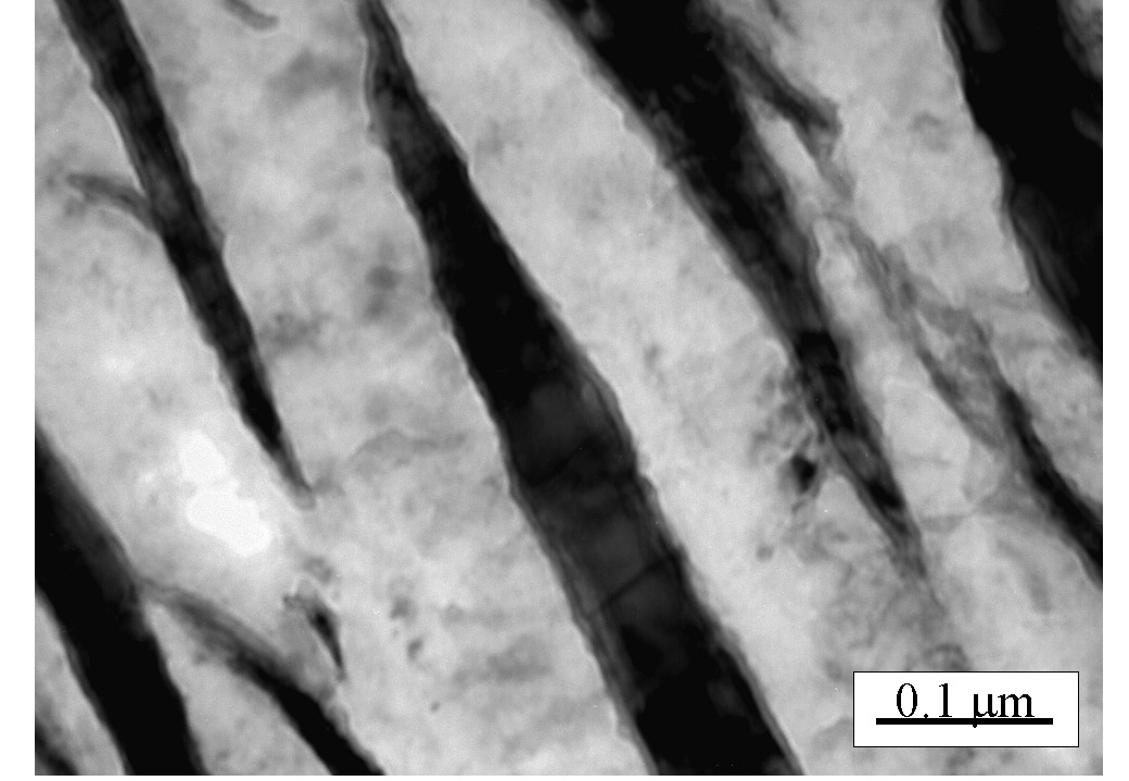
Fe-0.78C-1.49Si-1.95Mn-0.24Mo-0.97Cr-0.97Co-0.99Al wt% Austenitised at 900°C for 30 min. isothermally transformed at 300°C for 8 h.