
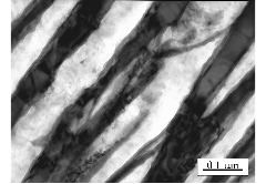
Fe-0.78C-1.49Si-1.95Mn-0.24Mo-0.97Cr-1.6Co-0.99Al wt% Austenitised at 900°C for 30 min. isothermally transformed at 200°C for 2 days. |

Fe-0.78C-1.49Si-1.95Mn-0.24Mo-0.97Cr-1.6Co-0.99Al wt% Austenitised at 900°C for 30 min. isothermally transformed at 200°C for 2 days. |

Fe-0.78C-1.49Si-1.95Mn-0.24Mo-0.97Cr-1.6Co-0.99Al wt% Austenitised at 900°C for 30 min. isothermally transformed at 200°C for 2 days. |

Fe-0.78C-1.49Si-1.95Mn-0.24Mo-0.97Cr-1.6Co-0.99Al wt% Austenitised at 900°C for 30 min. isothermally transformed at 200°C for 2 days. |

Fe-0.78C-1.49Si-1.95Mn-0.24Mo-0.97Cr-1.6Co-0.99Al wt% Austenitised at 900°C for 30 min. isothermally transformed at 200°C for 2 days. |

Fe-0.78C-1.49Si-1.95Mn-0.24Mo-0.97Cr-1.6Co-0.99Al wt% Austenitised at 900°C for 30 min. isothermally transformed at 200°C for 2 days. |

Fe-0.78C-1.49Si-1.95Mn-0.24Mo-0.97Cr-1.6Co-0.99Al wt% Austenitised at 900°C for 30 min. isothermally transformed at 200°C for 2 days. |

Fe-0.78C-1.49Si-1.95Mn-0.24Mo-0.97Cr-1.6Co-0.99Al wt% Austenitised at 900°C for 30 min. isothermally transformed at 200°C for 2 days. |

Fe-0.78C-1.49Si-1.95Mn-0.24Mo-0.97Cr-1.6Co-0.99Al wt% Austenitised at 900°C for 30 min. isothermally transformed at 200°C for 2 days. |

Fe-0.78C-1.49Si-1.95Mn-0.24Mo-0.97Cr-1.6Co-0.99Al wt% Austenitised at 900°C for 30 min. isothermally transformed at 200°C for 2 days. |

Fe-0.78C-1.49Si-1.95Mn-0.24Mo-0.97Cr-1.6Co-0.99Al wt% Austenitised at 900°C for 30 min. isothermally transformed at 200°C for 2 days. |

Fe-0.78C-1.49Si-1.95Mn-0.24Mo-0.97Cr-1.6Co-0.99Al wt% Austenitised at 900°C for 30 min. isothermally transformed at 200°C for 2 days. |

Fe-0.78C-1.49Si-1.95Mn-0.24Mo-0.97Cr-1.6Co-0.99Al wt% Austenitised at 900°C for 30 min. isothermally transformed at 200°C for 2 days. |

Fe-0.78C-1.49Si-1.95Mn-0.24Mo-0.97Cr-1.6Co-0.99Al wt% Austenitised at 900°C for 30 min. isothermally transformed at 200°C for 2 days. |

Fe-0.78C-1.49Si-1.95Mn-0.24Mo-0.97Cr-1.6Co-0.99Al wt% Austenitised at 900°C for 30 min. isothermally transformed at 200°C for 2 days. |

Fe-0.78C-1.49Si-1.95Mn-0.24Mo-0.97Cr-1.6Co-0.99Al wt% Austenitised at 900°C for 30 min. isothermally transformed at 200°C for 2 days. |

Fe-0.78C-1.49Si-1.95Mn-0.24Mo-0.97Cr-1.6Co-0.99Al wt% Austenitised at 900°C for 30 min. isothermally transformed at 200°C for 2 days. |

Fe-0.78C-1.49Si-1.95Mn-0.24Mo-0.97Cr-1.6Co-0.99Al wt% Austenitised at 900°C for 30 min. isothermally transformed at 200°C for 2 days. |

Fe-0.78C-1.49Si-1.95Mn-0.24Mo-0.97Cr-1.6Co-0.99Al wt% Austenitised at 900°C for 30 min. isothermally transformed at 200°C for 2 days. |

Fe-0.78C-1.49Si-1.95Mn-0.24Mo-0.97Cr-1.6Co-0.99Al wt% Austenitised at 900°C for 30 min. isothermally transformed at 200°C for 2 days. |

Fe-0.78C-1.49Si-1.95Mn-0.24Mo-0.97Cr-1.6Co-0.99Al wt% Austenitised at 900°C for 30 min. isothermally transformed at 200°C for 2 days. |

Fe-0.78C-1.49Si-1.95Mn-0.24Mo-0.97Cr-1.6Co-0.99Al wt% Austenitised at 900°C for 30 min. isothermally transformed at 200°C for 2 days. |

Fe-0.78C-1.49Si-1.95Mn-0.24Mo-0.97Cr-1.6Co-0.99Al wt% Austenitised at 900°C for 30 min. isothermally transformed at 200°C for 2 days. |

Fe-0.78C-1.49Si-1.95Mn-0.24Mo-0.97Cr-1.6Co-0.99Al wt% Austenitised at 900°C for 30 min. isothermally transformed at 200°C for 2 days. |

Fe-0.78C-1.49Si-1.95Mn-0.24Mo-0.97Cr-1.6Co-0.99Al wt% Austenitised at 900°C for 30 min. isothermally transformed at 200°C for 9 days. |

Fe-0.78C-1.49Si-1.95Mn-0.24Mo-0.97Cr-1.6Co-0.99Al wt% Austenitised at 900°C for 30 min. isothermally transformed at 200°C for 9 days. |

Fe-0.78C-1.49Si-1.95Mn-0.24Mo-0.97Cr-1.6Co-0.99Al wt% Austenitised at 900°C for 30 min. isothermally transformed at 200°C for 9 days. |

Fe-0.78C-1.49Si-1.95Mn-0.24Mo-0.97Cr-1.6Co-0.99Al wt% Austenitised at 900°C for 30 min. isothermally transformed at 200°C for 9 days. |

Fe-0.78C-1.49Si-1.95Mn-0.24Mo-0.97Cr-1.6Co-0.99Al wt% Austenitised at 900°C for 30 min. isothermally transformed at 200°C for 9 days. |

Fe-0.78C-1.49Si-1.95Mn-0.24Mo-0.97Cr-1.6Co-0.99Al wt% Austenitised at 900°C for 30 min. isothermally transformed at 200°C for 9 days. |

Fe-0.78C-1.49Si-1.95Mn-0.24Mo-0.97Cr-1.6Co-0.99Al wt% Austenitised at 900°C for 30 min. isothermally transformed at 200°C for 9 days. |

Fe-0.78C-1.49Si-1.95Mn-0.24Mo-0.97Cr-1.6Co-0.99Al wt% Austenitised at 900°C for 30 min. isothermally transformed at 200°C for 9 days. |

Fe-0.78C-1.49Si-1.95Mn-0.24Mo-0.97Cr-1.6Co-0.99Al wt% Austenitised at 900°C for 30 min. isothermally transformed at 200°C for 9 days. |

Fe-0.78C-1.49Si-1.95Mn-0.24Mo-0.97Cr-1.6Co-0.99Al wt% Austenitised at 900°C for 30 min. isothermally transformed at 200°C for 9 days. |

Fe-0.78C-1.49Si-1.95Mn-0.24Mo-0.97Cr-1.6Co-0.99Al wt% Austenitised at 900°C for 30 min. isothermally transformed at 200°C for 9 days. |

Fe-0.78C-1.49Si-1.95Mn-0.24Mo-0.97Cr-1.6Co-0.99Al wt% Austenitised at 900°C for 30 min. isothermally transformed at 200°C for 9 days. |

Fe-0.78C-1.49Si-1.95Mn-0.24Mo-0.97Cr-1.6Co-0.99Al wt% Austenitised at 900°C for 30 min. isothermally transformed at 200°C for 9 days. |

Fe-0.78C-1.49Si-1.95Mn-0.24Mo-0.97Cr-1.6Co-0.99Al wt% Austenitised at 900°C for 30 min. isothermally transformed at 200°C for 9 days. |

Fe-0.78C-1.49Si-1.95Mn-0.24Mo-0.97Cr-1.6Co-0.99Al wt% Austenitised at 900°C for 30 min. isothermally transformed at 200°C for 9 days. |

Fe-0.78C-1.49Si-1.95Mn-0.24Mo-0.97Cr-1.6Co-0.99Al wt% Austenitised at 900°C for 30 min. isothermally transformed at 200°C for 9 days. |

Fe-0.78C-1.49Si-1.95Mn-0.24Mo-0.97Cr-1.6Co-0.99Al wt% Austenitised at 900°C for 30 min. isothermally transformed at 200°C for 9 days. |

Fe-0.78C-1.49Si-1.95Mn-0.24Mo-0.97Cr-1.6Co-0.99Al wt% Austenitised at 900°C for 30 min. isothermally transformed at 250°C for 24 h. |

Fe-0.78C-1.49Si-1.95Mn-0.24Mo-0.97Cr-1.6Co-0.99Al wt% Austenitised at 900°C for 30 min. isothermally transformed at 250°C for 24 h. |

Fe-0.78C-1.49Si-1.95Mn-0.24Mo-0.97Cr-1.6Co-0.99Al wt% Austenitised at 900°C for 30 min. isothermally transformed at 250°C for 24 h. |

Fe-0.78C-1.49Si-1.95Mn-0.24Mo-0.97Cr-1.6Co-0.99Al wt% Austenitised at 900°C for 30 min. isothermally transformed at 250°C for 24 h. |

Fe-0.78C-1.49Si-1.95Mn-0.24Mo-0.97Cr-1.6Co-0.99Al wt% Austenitised at 900°C for 30 min. isothermally transformed at 250°C for 24 h. |

Fe-0.78C-1.49Si-1.95Mn-0.24Mo-0.97Cr-1.6Co-0.99Al wt% Austenitised at 900°C for 30 min. isothermally transformed at 250°C for 24 h. |

Fe-0.78C-1.49Si-1.95Mn-0.24Mo-0.97Cr-1.6Co-0.99Al wt% Austenitised at 900°C for 30 min. isothermally transformed at 300°C for 8 h. |

Fe-0.78C-1.49Si-1.95Mn-0.24Mo-0.97Cr-1.6Co-0.99Al wt% Austenitised at 900°C for 30 min. isothermally transformed at 300°C for 8 h. |

Fe-0.78C-1.49Si-1.95Mn-0.24Mo-0.97Cr-1.6Co-0.99Al wt% Austenitised at 900°C for 30 min. isothermally transformed at 300°C for 8 h. |

Fe-0.78C-1.49Si-1.95Mn-0.24Mo-0.97Cr-1.6Co-0.99Al wt% Austenitised at 900°C for 30 min. isothermally transformed at 300°C for 8 h. |

Fe-0.78C-1.49Si-1.95Mn-0.24Mo-0.97Cr-1.6Co-0.99Al wt% Austenitised at 900°C for 30 min. isothermally transformed at 300°C for 8 h. |

Fe-0.78C-1.49Si-1.95Mn-0.24Mo-0.97Cr-1.6Co-0.99Al wt% Austenitised at 900°C for 30 min. isothermally transformed at 300°C for 8 h. |

Fe-0.78C-1.49Si-1.95Mn-0.24Mo-0.97Cr-1.6Co-0.99Al wt% Austenitised at 900°C for 30 min. isothermally transformed at 300°C for 8 h. |

Fe-0.78C-1.49Si-1.95Mn-0.24Mo-0.97Cr-1.6Co-0.99Al wt% Austenitised at 900°C for 30 min. isothermally transformed at 300°C for 8 h. |

Fe-0.78C-1.49Si-1.95Mn-0.24Mo-0.97Cr-1.6Co-0.99Al wt% Austenitised at 900°C for 30 min. isothermally transformed at 300°C for 8 h. |

Fe-0.78C-1.49Si-1.95Mn-0.24Mo-0.97Cr-1.6Co-0.99Al wt% Austenitised at 900°C for 30 min. isothermally transformed at 300°C for 8 h. |

Fe-0.78C-1.49Si-1.95Mn-0.24Mo-0.97Cr-1.6Co-0.99Al wt% Austenitised at 900°C for 30 min. isothermally transformed at 300°C for 8 h. |

Fe-0.78C-1.49Si-1.95Mn-0.24Mo-0.97Cr-1.6Co-0.99Al wt% Austenitised at 900°C for 30 min. isothermally transformed at 300°C for 8 h. |

Fe-0.78C-1.49Si-1.95Mn-0.24Mo-0.97Cr-1.6Co-0.99Al wt% Austenitised at 900°C for 30 min. isothermally transformed at 300°C for 8 h. |

Fe-0.78C-1.49Si-1.95Mn-0.24Mo-0.97Cr-1.6Co-0.99Al wt% Austenitised at 900°C for 30 min. isothermally transformed at 300°C for 8 h. |

Fe-0.78C-1.49Si-1.95Mn-0.24Mo-0.97Cr-1.6Co-0.99Al wt% Austenitised at 900°C for 30 min. isothermally transformed at 300°C for 8 h. |