<--Previous  Up  Next-->

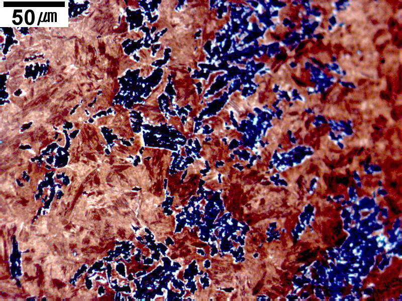
500_18

Isothermally transformed at 280C for 7days, mixture of martensite and bainite